NEWS
发布时间:2026-02-13 16:49:09 浏览次数:153
在嵌入式设计、汽车电子、电源研发、高速接口验证等领域,测试任务的复杂度正随着技术迭代持续升级——多信号同步捕获、微小波形细节识别、复杂总线解码、时域频域协同分析,每一项需求都对测试仪器的性能与适配性提出了严苛要求。泰克5系列B MSO混合信号示波器,依托原厂核心技术与可量化的官网参数,针对性解决各行业测试痛点,成为工程师高效研发、精准验证的核心工具。
MSO54B 5-BW-350 MSO54B 5-BW-500
MSO54B 5-BW-1000 MSO54B 5-BW-2000
MSO56B 5-BW-350 MSO56B 5-BW-500
MSO56B 5-BW-1000 MSO56B 5-BW-2000
MSO58B 5-BW-350 MSO58B 5-BW-500
MSO58B 5-BW-1000 MSO58B 5-BW-2000

通道灵活性:4/6/8通道FlexChannel®输入,单通道可切换1路模拟或8路数字信号,选配TLP058逻辑探头最高支8个模拟或64个数字信号,无需额外设备即可完成混合信号同步捕获。
信号保真度:搭载12-bit ADC,1.25 GHz带宽下保持12-bit分辨率,50 MHz带宽可提升至16-bit,相比传统8-bit示波器提供16倍信号细节还原,精准捕捉微小组件异常波形。
采集与分析能力:所有模拟通道6.25 GS/s同步采样不降级;存储深度标准62.5 M点,最高可扩至500 M点。
交互便捷性:配备15.6英寸高清多点触控屏,遵循移动设备操作逻辑,右侧结果条可一键调用光标、测量、总线解码等常用工具,无需记忆复杂快捷键,大幅提升现场调试效率,降低学习成本。
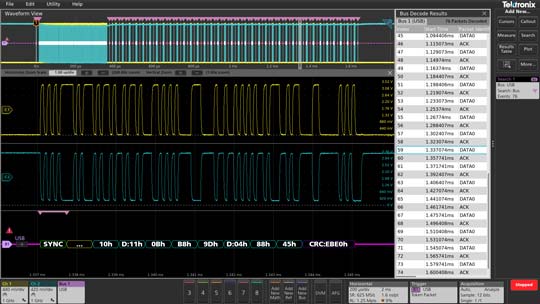
串行总线全面解码:支持超过25种串行协议的触发、解码、搜索及事件表分析,涵盖嵌入式设计中常用的I²C、SPI、eSPI、I3C、UART/RS-232/422/485、SMBus等,可将复杂总线波形解码为直观的十六进制、二进制或ASCII格式,通过事件表查看所有解码数据包及时间标记,快速定位通信异常、数据丢包等问题,替代手动解码,减少人为误差。

抖动分析和串行标准合规性:对于每个嵌入式系统和数字通信链路而言,时钟都是十分重要的。过多的抖动可能会影响系统运行,但是抖动分析程序包将帮助您找到问题的根源。自动化合规性程序包简化了测试流程,确保高速串行总线实施符合串行标准,如 USB 和以太网。

车载总线解码与分析:全面支持车载主流总线协议,包括CAN、CAN FD、CAN XL、LIN、FlexRay、SENT、PSI5、CXPI、汽车以太网等,可实现总线信号的触发、解码与搜索,通过波形与解码表的联动,快速定位车载ECU通信故障,验证总线通信稳定性。

牵引逆变器与电机驱动测试:搭配5-IMDA等汽车解决方案套件,可实现三相PWM波形分析、机械转速与扭矩测量、dq0控制参数实时计算,通过相量图直观呈现三相电信号问题,适配新能源汽车牵引逆变器与电机驱动系统的调试需求,助力优化系统效率与可靠性。

电磁干扰EMI故障排除:可实现时域与频域同步分析,独立控制频域参数,快速定位高速接口测试中的电磁干扰(EMI)源,无需额外频谱分析仪,简化测试流程、降低测试成本。


对于研发与测试工程师而言,一款精准、高效、通用的示波器,不仅是工具,更是提升研发效率、保障产品质量的核心支撑。泰克5系列B MSO混合信号示波器,以硬核参数为基础,以多领域定制化应用方案为核心,精准破解各行业测试痛点,成为现代电子测试领域的标杆设备,助力工程师突破技术瓶颈,加速产品创新迭代。