NEWS
发布时间:2026-02-06 16:06:57 浏览次数:135
在嵌入式系统调试、功率转换器验证、汽车电子研发等复杂测试场景中,工程师常常面临通道不足、信号捕捉不精准、分析效率低等痛点。而泰克 4 系列 MSO 混合域示波器的出现,以其突破性的技术创新和人性化的设计,为这些难题提供了一站式解决方案,成为测试测量领域的新标杆。
MS044 4-BW-200 MSO46 4-BW-200
MSO44 4-BW-350 MSO46 4-BW-350
MSO44 4-BW-500 MSO46 4-BW-500
MSO44 4-BW-1000 MSO46 4-BW-1000
MSO44 4-BW-1500 MSO46 4-BW-1500
搭载泰克专利FlexChannel® 技术,4 或 6 路输入通道可自由切换:

· 单路当模拟通道,6 通道机型可同时测 6 路模拟信号,轻松应对三相电、多电源轨测试
· 接 TLP058 逻辑探头,单路秒变 8 路数字通道,最多扩展至 48 路数字输入
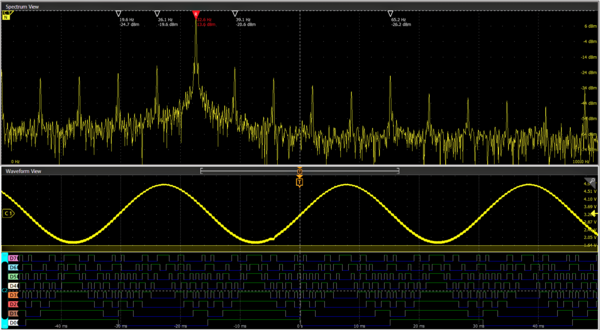
· 同时显示波形 + 频谱视图,时域频域独立控制,不用在示波器和频谱仪间来回切换

关键参数拉满性能:6.25 GS/s 实时采样率+最高 62.5 M 点记录长度,搭配> 500,000个波形/秒的捕获速率,偶发毛刺、欠幅脉冲都逃不掉。
· 全高清(1920×1080)电容触屏,支持拖拽缩放、滑动调出菜单,操作比传统示波器快 2 倍

· 独家堆叠显示模式,自动分隔波形且每路都用满 12 位 ADC 分辨率(高分辨率模式达 16 位),解决 “看清波形就丢精度” 的老问题

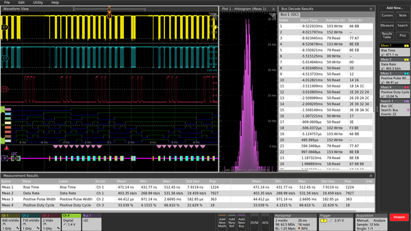
· 右侧结果条可隐藏,波形视图占满屏幕,同时显示 3 路模拟 + 8 路数字 + 总线解码 + 测量统计,数据一目了然

标配 36 项自动测量、FFT 分析,选配功能覆盖多场景需求:
· 协议解码:支持 I²C、SPI、CAN FD、USB 2.0 等 25 + 串行总线,汽车电子、嵌入式调试直接用
· 功率分析:开关损耗、谐波测试、三相电分析(6 通道机型专属),新能源、电源设计不用额外买功率分析仪
· 射频测试:频谱视图支持 RF 通道功率、邻道功率比测量,1 台仪器搞定时域 + 频域 + 射频测试

从 FlexChannel® 技术带来的灵活配置,到 16 位高分辨率、超高速波形捕获的卓越性能,再到多场景适配的专业分析功能和人性化的操作设计,泰克 4 系列 MSO 混合域示波器无疑重新定义了中端示波器的标准。无论是嵌入式系统调试、电源设计、汽车电子研发,还是射频信号分析,它都能以高效、精准的表现,帮助工程师攻克测试难题,缩短研发周期。对于追求高品质、高效率测试解决方案的企业和工程师而言,泰克 4 系列 MSO 不仅是一台仪器,更是提升研发实力、加速产品上市的重要伙伴。